P/N
back
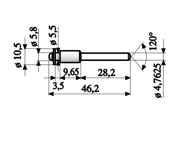
220 174
[
Home
] [
Products
] [
Service&Support
] [
Partner
] [
About us
] [
Contact
]
Select
General
LC
GC
AAS
Photometry
Select product range:
Select language:
Select
English
German